با سلام من دو عدد از موتور dc انکودر دار به همراه شنی رو خریداری کردم ولی هیچ اطلاعاتی راجع به نحوه کار با انکودر این موتور ندارم و اینکه هرکدام از سیم های آن برای چی هستند کسی هست که بتونه راهنمایی
کنه؟؟
موتور DC انکودر دار 12 ولت به همراه شنی
نمایش نسخه قابل چاپ
با سلام من دو عدد از موتور dc انکودر دار به همراه شنی رو خریداری کردم ولی هیچ اطلاعاتی راجع به نحوه کار با انکودر این موتور ندارم و اینکه هرکدام از سیم های آن برای چی هستند کسی هست که بتونه راهنمایی
کنه؟؟
موتور DC انکودر دار 12 ولت به همراه شنی
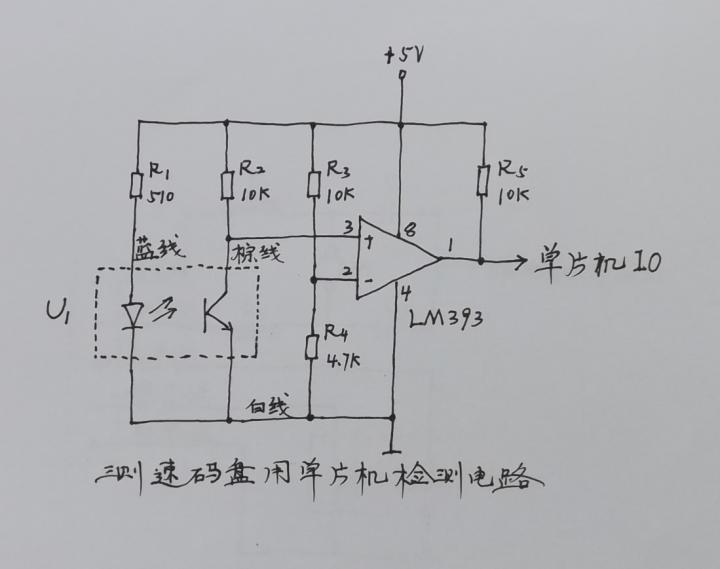
مگه مثل استپر موتور 4 سیمه نیست ؟
نمیشه با اعمال پالس تست راهش انداخت ؟
هرکار که کردم نتونستم راهش بندازم
کاش جای زبان عربی تو مدرسه ها یکم زبان چینی باهامون کار میکردن ...:p
تصویر های زیر رو ببینید
سعی کردم اسمشو ترجمه کردم سفیده گرانده !
فایل پیوست 3338فایل پیوست 3339فایل پیوست 3340