من میخواستم این برد رو بسازم اگر امکان داره من رو راهنمایی کنید
من زیاد در الکترونیک وارد نیستم اگر امکان داره لطف کنید و کمی ساده تر راهنمایی کنید
فایل پیوست 895
برای شروع اول میخوام بدونم قطعات که باید بگیرم چی هست ؟
با تشکر
نمایش نسخه قابل چاپ
من میخواستم این برد رو بسازم اگر امکان داره من رو راهنمایی کنید
من زیاد در الکترونیک وارد نیستم اگر امکان داره لطف کنید و کمی ساده تر راهنمایی کنید
فایل پیوست 895
برای شروع اول میخوام بدونم قطعات که باید بگیرم چی هست ؟
با تشکر
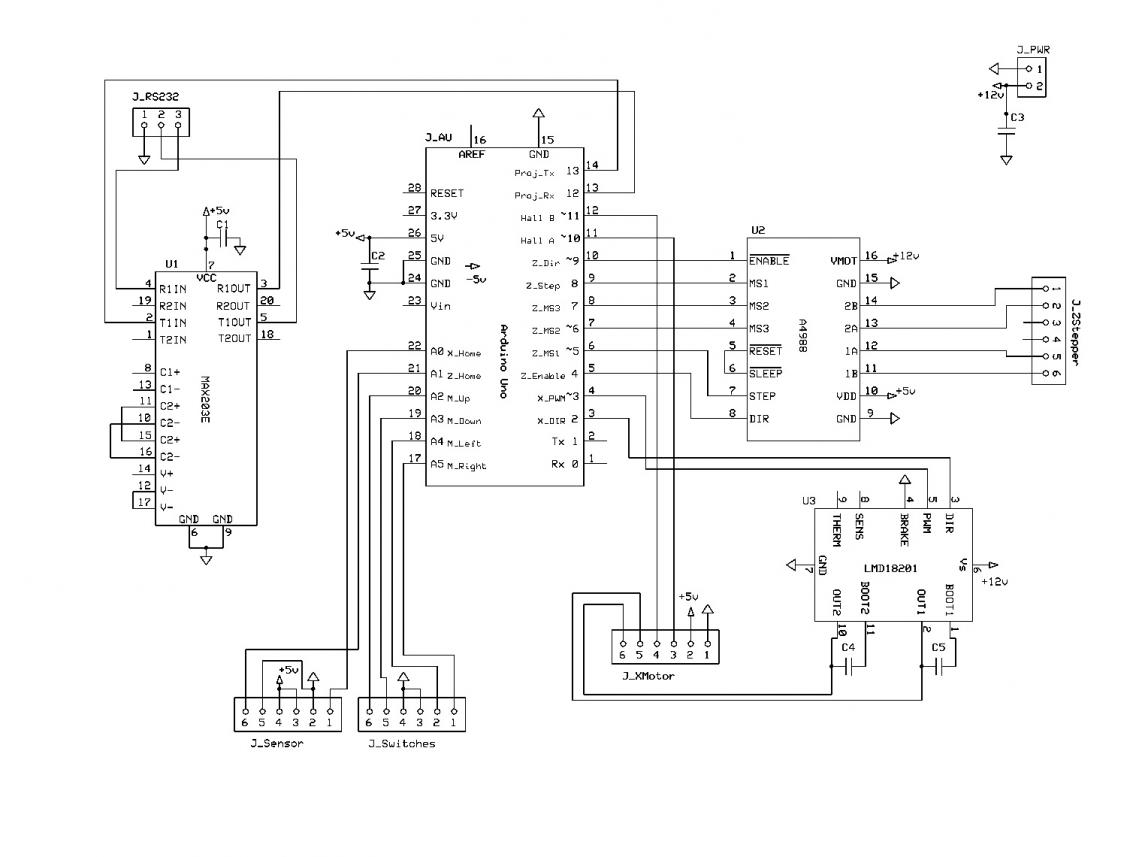
سلام
ظرفیت خازن ها در شماتیک مشخص نشده ، در کل به جز آی سی ها قطعه خاصی نداره
C1 = CAP CER 0.1UF 100V 20% RADIAL
c2 c3 =CAP ALUM 100UF 16V 20% RADIAL
c4 c5 =CAP CER 10000PF 100V 20% RADIAL
ممنون از اینکه راهنمایی میکنید
این ظرفیت خازنهاست
ای سی ها رو اگر در اینجا پیدا نشه میتونم سفارش بدم از اونور بگیرم
در کل برای شروع اول میخوام بدونم که چه قطعاتی رو میتونم اینجا بگیرم
لطفا راهنمایی کنید
اگر اشتباه نکنم این قطعات رو شما در فروشگاه دارید
درایور استپر موتور Reprap
کیت استارتر UNO
ای سی ها هم فکر کنم این ها باشه
http://www.alibaba.com/product-detai...686675826.html
http://www.alibaba.com/product-detai...553130742.html
اگر درسته بفرمایید که زودتر سفارش بدم ...اگر هم جایی میشناسید که اینها رو داره در ایران کمک کنید:confused:
همشون تو ایران هست چرا از خارج بگیری
اگر مشهد هستی برو سعدی پاساژ مهتاب طبقه 3 ، الکترونیک پاژ همشو داره نداشت برو مغازه روبه رویش
با سلام
من قطعات زیر را خریداری کردم و پروژه بنده این است که هر شی که در فاصله نیم متری باشد، تصویر آن ذخیره شود؛ ولی از آنجائیکه برنامه نویسی بلد نیستم نتونستم اجراش کنم. تقاضا دارم بهم کمک کنید.
1- ماژول آلتراسونیک سنجش مسافت ( سنسور فاصله یاب ) HC-SR04
2- آردوینو Uno
3- ماژول دوربین رنگی JPEG با ربط TTL سریال ( UART )