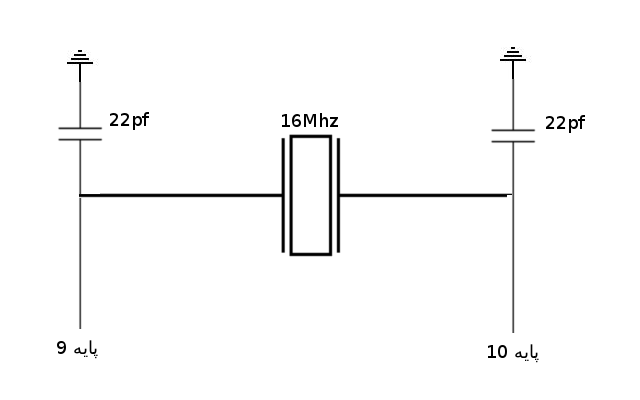
برای اتصال کریستال بیرونی باید به روش زیر عمل کنی
فایل پیوست 1864
کریستال داخلی داره ولی ماکزیمم 8 مگاهرتز است.
نمایش نسخه قابل چاپ
برای اتصال کریستال بیرونی باید به روش زیر عمل کنی
فایل پیوست 1864
کریستال داخلی داره ولی ماکزیمم 8 مگاهرتز است.
سلام
مهندس من اینجا فیوز بیت ها رو اینجوری تنظیم می کنم ولی خطا میده
فایل پیوست 1903
همه رو تیک نزن. فقط دو تای اولی از چپ
به فناش ندی میکرو رو
یه جای کار اشتباه است.
یه عکس از مدارت بگیر
سلام صبح بخیر
فایل پیوست 1904
علیک سلام
1. اتصال کریستال با میکرو باید حداقل فاصله باشه (بدون سیم رابط)
2. پایه ریست میکرو باید pull up شود (یعنی با یه مقاومت 1 مگا به خط مثبت تغذیه وصل شود)