سلام وقت بخیر
کسی با mics-6814 سنسور تشخیص کیفیت هوا کارکرده؟
من این سنسور رو خریدم اما کتاب خونه و باقی چیز هایی که بتونم ازش استفاده کنم رو ندارم چطور باید پیدا کنم؟
نمایش نسخه قابل چاپ
سلام وقت بخیر
کسی با mics-6814 سنسور تشخیص کیفیت هوا کارکرده؟
من این سنسور رو خریدم اما کتاب خونه و باقی چیز هایی که بتونم ازش استفاده کنم رو ندارم چطور باید پیدا کنم؟
سلام
از لینک زیر دیدن بفرمایید:
http://forum.arduino.ir/8/21/2495.html#post13070
سلام ممنون من دیتا شیت رو نگاه کردم اما مشکل اینجاست که اون کتاب خانه های اون دوتا ماژول با i2cکار می کنه اما این ماژول nh3وno2وcoرو داره.
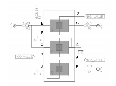
پس مشکل من اینجاست که چطوری ارتباط scl و sdlرو برقرار کنم با اینکه این ماژول هیچ ورودی برای i2cنداره بجز vcc, gnd اون سه پینی که بالا توضیح دادم رو داره؟فایل پیوست 3283
این pin out ماژول هست
فایل پیوست 3284
اره پروتکل i2c نداره
خوب اون کتاب خونه هایی که معرفی کردید همه برای i2c پس لطف کنید کتاب خانه این ماژول رو بدید ممنون.
دقت بفرمایید ؛اون نمونه هایی که معرفی کردم اومده با یک میکروکنترلر atmega168 و از قابلیت adc اومده سیگنال های خروجی mics-6814 رو خنده بعد در قالب پروتکل I2C در اختیار کاربر گذاشته.
فایل پیوست 3285
بناراین تصور می کنم شما هم باید با ADC بخونیدش ضمن اینکه نسبتشو باید در نظر بگیرید که مثلا عدد 208 adc یعنی چه مقدار از چه میزان کیفیت هوا ...
دوستان اگر کسی از این ماژل استفاده کرده میشه یه کمکی بکنه بگه چجور باید این ماژل را درایو کرد ؟ ینی بش +5 ولت و 0 بدم باقی پایه ها را انالوگ بخونم؟