سلام دوستان.
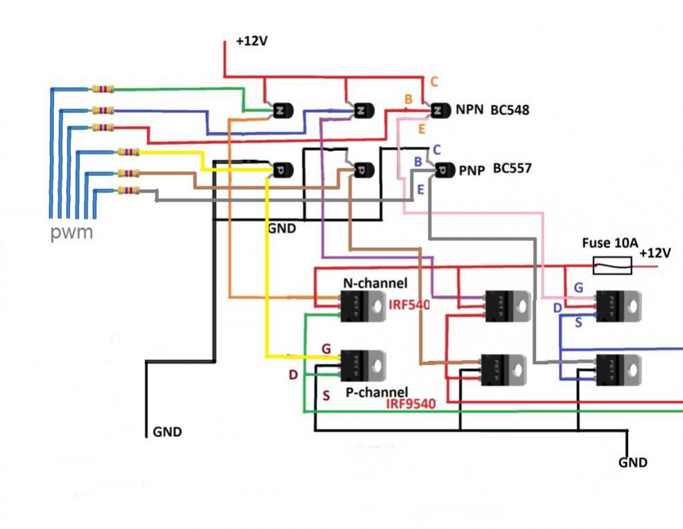
این مدار رو برای کنترل دور موتو pmsm شبیه براشلسه از اینترنت گرفتم و یکم تغیرات دادم.
فایل پیوست 4345
اما ولومش کار نمیکنه اصلا و ماسفت ها بشدت داغ میشن. نمیدونم مدارم درسته یا نه.
برنامه اردوینوشو نوشتم و تست کردم کار میکنه مشکلی نداره.
اما موتور حالت تشنجه و نمیچرخه.
کسی میتونه کمک کنه؟
