سلام .
من یک برد usb cnc خریدم ولی در مورد اتصال ان به برد درایورم مشکل دارم .
مشکلم در مورد دو ورودی enable+ وenable- هستش چی کار کنم.
لطفا راهنماییم کنید.
نمایش نسخه قابل چاپ
سلام .
من یک برد usb cnc خریدم ولی در مورد اتصال ان به برد درایورم مشکل دارم .
مشکلم در مورد دو ورودی enable+ وenable- هستش چی کار کنم.
لطفا راهنماییم کنید.
پاسخ:
به درایور یه ولتاژ مثبت منفی میدی برای تغذیه
4 تا سیم دیگه هم میگیره شامل - پالس/ دایرکشن/اینیبل و 5 ولت
اگر درایورتون متفاوته مدلش رو اعلام کنید تا برسی کنم
این عکس برد کنترلر :
فایل پیوست 2242
اینم عکس درایور:
فایل پیوست 2243
خوب حالا مشکل من اینجاست که محل اتصال enale+,enable- در مدار کنترلر نیست توی دیتای کنترلر هم چیزی ننوشته:(
سلام.
لطفا طبق این فایل سیم بندی نمایید.
http://aftabrayaneh.com/downloads/Mk1-manual.pdf
فقط جامپر فراموش نشه Common anode/cathode
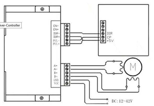
تصویر زیر هم ممکنه مفید باشه براتون
فایل پیوست 2248
مرصی.
پس اگه من اون دو enable رو به جایی وصل نکنم کار می کنه؟