سلام دوستان و علاقمندان به هنر الکترونیک
خب نیاز هست که در مورد گیرنده و فرستنده مادون قرمز توضیح مختصری بدم ....
TCRT5000L
المان های حرارتی که سبب ایجاد نور میشن ، همگی چشمه نور مادون قرمز هستند مثل خورشید ؛ لامپ های زرد ؛ آتش ؛ ...
که به طور نا منظمی نور مادون قرمز ازشون ساتع می شه...
LED های مادون قرمز هم در همین راستا چشمه نور مادون قرمز تلقی میشن.
سنسور TCRT5000
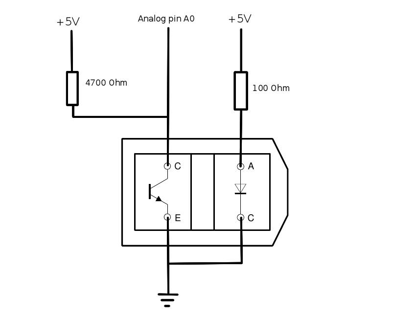
هم فرستنده مادون قرمز داره (آبی رنگه)هم گیرنده مادون قرمز(مشکیه)
در صورتیکه طبق مدار زیر دو تا مقاومت مناسب به پایه های سنسور متصل شه می تونیم ازش 0-1 بگیریم به عنوان سوئیچی که حساسیت داره به نور مادون قرمز :
باید به گونه ای سنسور رو برای تست و عملی قرار بدیم که علاوه بر دید نداشتن به چشمه های مادون قرمز ، در کل انعکاس نور خورشید هم روش تاثیر نذاره ، باید برای محیطی باشه که مثلا با نور مهتابی یا LED های سقفی استفاده میشه ...
میشه با یک فندک هم تست کنید ...
اگر به عنوان دزد گیر می خواید استفاده کنید باید سنسور رو به گونه ای نصب کنید که اگر شیئی از فاصله 1 سانتیش رد شه ؛ مثلا لبه درب ؛ ... بتونه LED مادون قرمز کنار سنسور نورش رو منعکس کنه به گیرنده سنسور ...
مثال کاربردی :
Analog Example
/*
TCRT5000 IR Sensor Analog Test
Circuit inventorArtist
Load this program onto the arduino and then press the SERIAL MONITOR button.
You should see different numbers representing the distance between the sensor
and an object
*/
void setup() {
Serial.begin(9600);
}
void loop() {
int sensorValue = analogRead(0);
Serial.println(sensorValue);
}
Digital Example
سورس برنامه:/*
TCRT5000 IR Sensor Digital Test
Circuit inventorArtist
Load this program onto the arduino and then press the SERIAL MONITOR button.
You should see a 1 or 0 depending if an object is close to the sensor or not.
*/
void setup() {
Serial.begin(9600);
pinMode(8, INPUT);
}
void loop() {
int sensorValue = digitalRead(8);
Serial.println(sensorValue);
}
inventorArtist
Related
Hacker.instanet.net • View topic - TCRT5000 IR Sensor
Analogread from a TCRT5000 sensor | Bajdi.com
موفق باشید ...![]()


2 لایک
LinkBack URL
About LinkBacks




پاسخ با نقل قول