شما تا امروز به حتم برای پروژه های مختلف از سنسور های گاز استفاده کرده اید. سنسور های گاز متفاوتی در بازار برای استفاده وجود دارند که پر کاربردترین آنها سری های MQ می باشند. این گروه سنسور ها با تنوع فراوان و قیمت مناسب در بسیاری از پروژه ها استفاده می شوند.
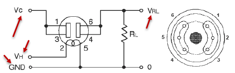
در ساختمان داخلی این سنسور ها یک هیتر تعبیه شده است که با پایه vh روشن و خاموش شدن آن کنترل می شود. دلیل طراحی هیتر داخلی ماهیت شیمیایی این سنسور ها می باشد. ممکن است با اتصال اولیه ولتاژ به این سنسورها بوی سوختگی استشمام شود که علت آن وجود همین هیتر و تست اولیه آن است. ولتاژ پیشنهادی برای این پایه 5 ولت می باشد.
پایه دیگر vc است که برای هر سری سنسور رنج متفاوتی را پشتیبانی می کند اما نرم معمول این ولتاژ 5 – 24 ولت می باشد. با کنترل ولتاژ وردی میزان میزان گاز مورد هدایت سنسور و در نتیجه خروجی سنسور را کنترل کرد.
پایه vRL پایه خروجی سنسور است که توسط میکروکنترلر (ودر صورت نیازadc ) خوانده می شود. تنها ملاحظه عملی برای استفاده از این سنسورها زمان است. از لحظه روشن شدن سنسور ممکن است تغییرات ولتاژی در این پایه دیده شود. برای داشتن داده های دقیق از این خانواده لازم است مدت زمانی سپری شود تا سطح خروجی ثابت شود. با این کار زمان گذر سنسور به پایان رسیده و تغییرات بعدی مربوط به تغییرات احساس شده (به صورت دقیق) توسط سنسور است.
در صورتی که بخواهیم از این سنسور ها به تنهایی استفاده کنیم به دلیل عدم تناسب سایز پین این سنسورها با بردبورد از لحاظ سخت افزاری با مشکل مواجه می شویم. لذا پیشنهاد می شود با طراحی PCB از این سنسورها استفاده شود. خوشبختانه ماژول های آماده استفاده از این سنسورها طراحی شده است که به راحتی می توان از آنها استفاده نمود.
سنسور MQ-2 حساس به کلیه گازهای مشتعل و دود
سنسور MQ-3 حساس به گازهای طبیعی- متان
سنسور MQ-4 حساس به گازهای طبیعی- متان
سنسور MQ-5 حساس به گازهای LPG - گازهای طبیعی - گازهای ایجاد شده از سوختن
سنسور MQ-6 حساس به گازهای LPG - Propane - iso-butane
سنسور MQ-7 حساس منواکسید کربن
سنسور MQ-8 حساس به هیدروژن و گازهای ایجاد شده از سوختن
سنسور MQ-9 حساس به کلیه گازهای مشتعل و CO
سنسور MQ214 حساس متان
سنسور MQ216 حساس به کلیه گازها و گازهای ایجاد شده از سوختن
سنسور MQ306A حساس به گازهای LPG - گازهای طبیعی - گازهای ایجاد شده از سوختن
سنسور MQ307A حساس منواکسید کربن
سنسور MQ309A حساس به کلیه گازهای مشتعل و CO
برای دانلود دیتاشیت هر سنسور روی آن کلیک کنید.


4 لایک
LinkBack URL
About LinkBacks



پاسخ با نقل قول
