-
مدار اینورتر موتور براشلس
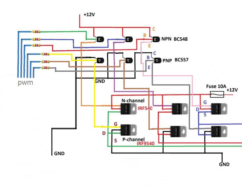
سلام دوستان.
این مدار رو برای کنترل دور موتو pmsm شبیه براشلسه از اینترنت گرفتم و یکم تغیرات دادم.

اما ولومش کار نمیکنه اصلا و ماسفت ها بشدت داغ میشن. نمیدونم مدارم درسته یا نه.
برنامه اردوینوشو نوشتم و تست کردم کار میکنه مشکلی نداره.
اما موتور حالت تشنجه و نمیچرخه.
کسی میتونه کمک کنه؟
مجوز های ارسال و ویرایش
- شما نمیتوانید موضوع جدیدی ارسال کنید
- شما امکان ارسال پاسخ را ندارید
- شما نمیتوانید فایل پیوست کنید.
- شما نمیتوانید پست های خود را ویرایش کنید
-
مشاهده قوانین انجمن
SEO by vBSEO